View Issue Details

IDProjectCategoryView StatusLast Update
0009006ardourbugspublic2022-11-05 19:48
ReporterAttila S. Assigned Tox42  
PrioritynormalSeverityminorReproducibilityalways
Status resolvedResolutionfixed 
PlatformGNUOSLinuxOS Version(any)
Product Version7.0 
Summary0009006: Plugin analysis goes astray
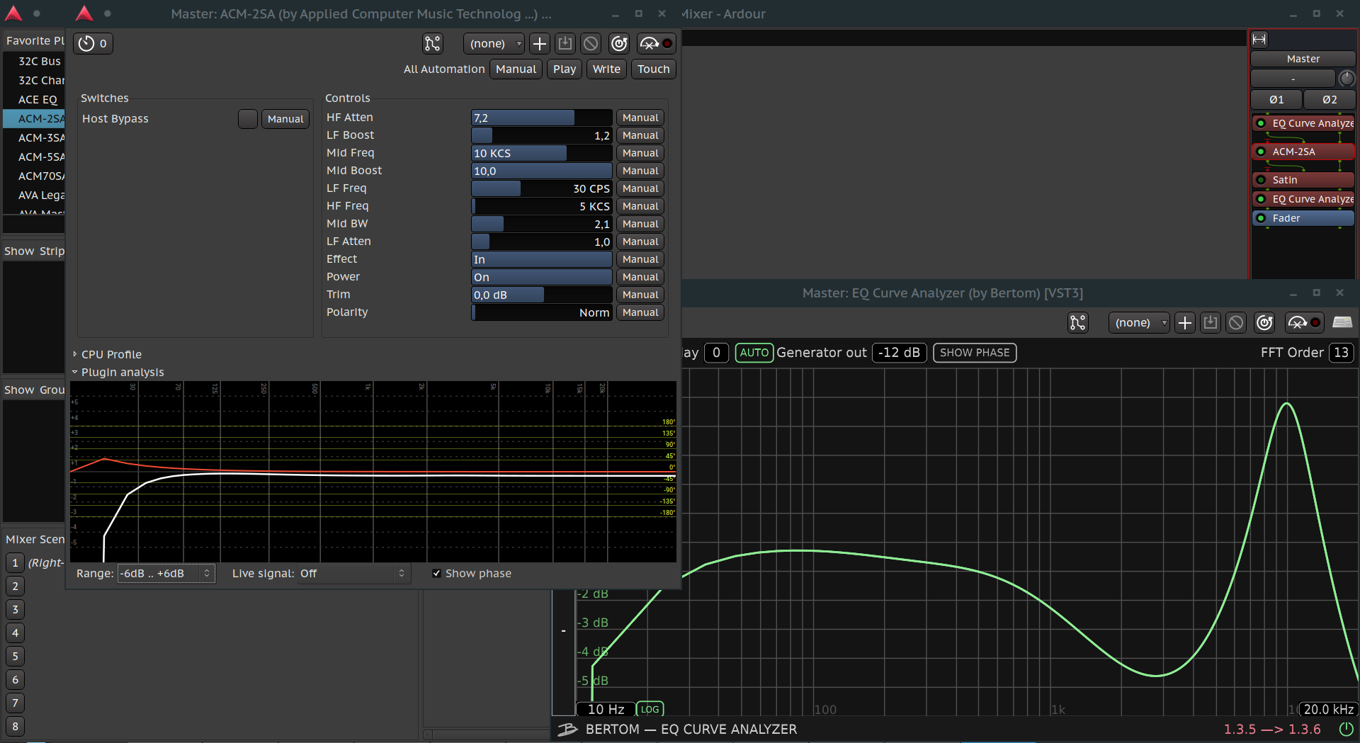
DescriptionI observed that the “Edit with generic controls” window’s “Plugin analysis” goes astray with the ACMT ACM-2SA and ACM-5SA vst3 plugins, if I set values on the standard plugin UI and then I open the plugin with “Edit with generic controls” and here I open the plugin analysis. It will not show the changes that I made.

BUT if I’m using from start only the generic controls then the analysis seems to work correctly.

I also contacted the plugin’s developer and he said the problem is not on the plugins side.

I attached a screenshot.
TagsNo tags attached.

Activities

Attila S.

2022-10-18 19:01

reporter  

plugin-analysis-acm-2sa.png (226,325 bytes)   
plugin-analysis-acm-2sa.png (226,325 bytes)   

x42

2022-11-04 17:03

administrator   ~0026851

Fixed in 7.1-18-g0aad0ae464

Attila S.

2022-11-05 19:48

reporter   ~0026854

Thank You!

Issue History

Date Modified Username Field Change
2022-10-18 19:01 Attila S. New Issue
2022-10-18 19:01 Attila S. File Added: plugin-analysis-acm-2sa.png
2022-11-04 17:03 x42 Assigned To => x42
2022-11-04 17:03 x42 Status new => resolved
2022-11-04 17:03 x42 Resolution open => fixed
2022-11-04 17:03 x42 Note Added: 0026851
2022-11-05 19:48 Attila S. Note Added: 0026854